OngoingInvernadero
STDInvernadero
302
0
0
0
Mode:Full
License
:Creation time:2019-11-25 09:53:53Update time:2019-11-28 11:04:26
Description
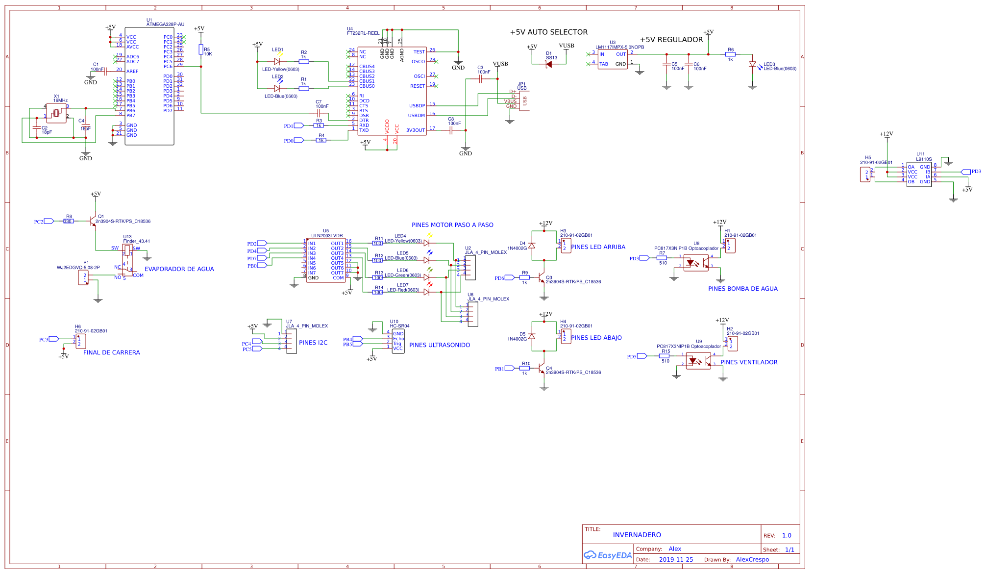
Design Drawing
The preview image was not generated, please save it again in the editor.BOM
Bom empty
CloneAdd to Album
0
0
Share
Report
Project Members
Followers0|Likes0
Related projects
Empty


Comment