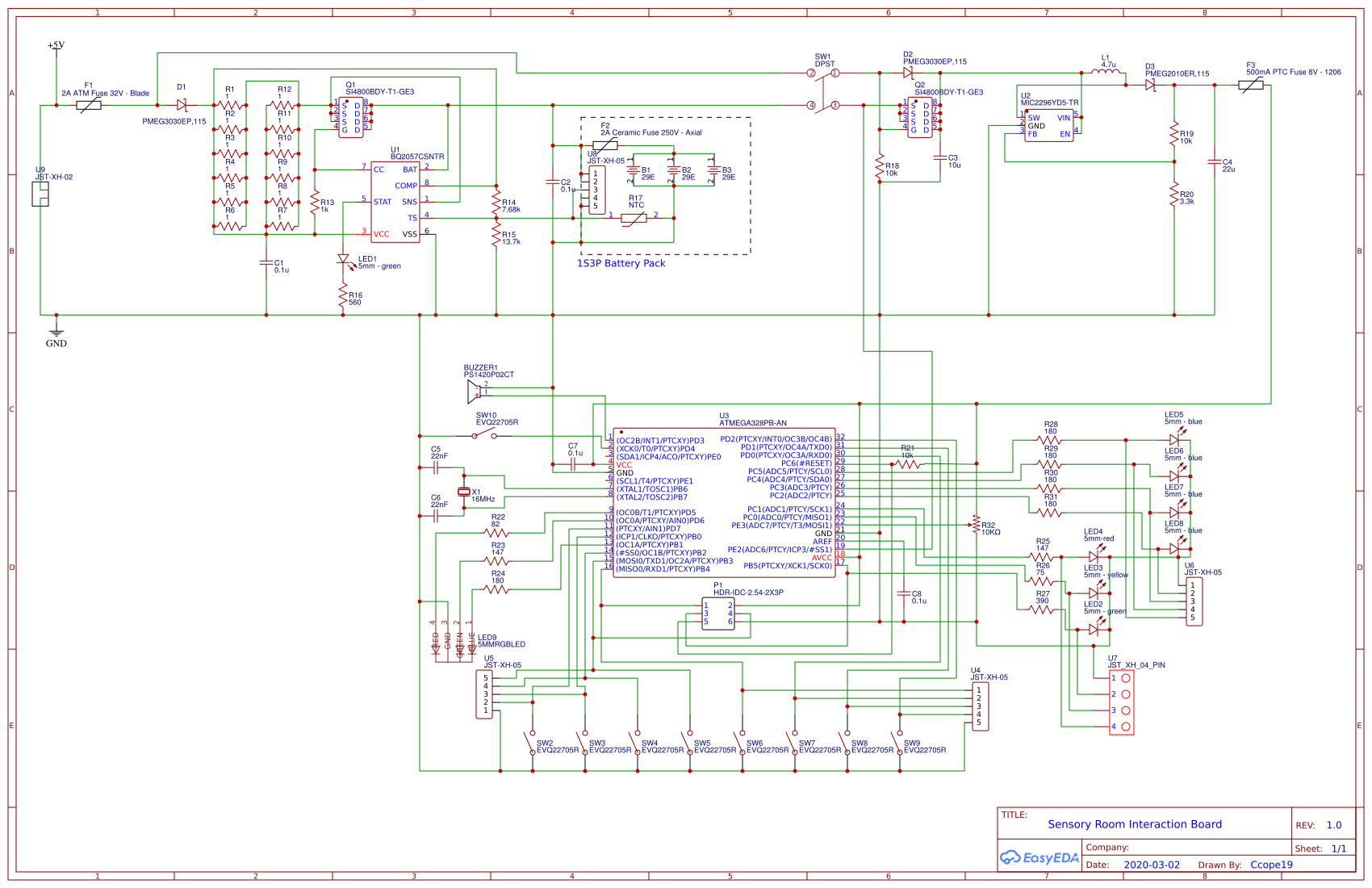
OngoingSensory Room Device
STDSensory Room Device
271
0
0
0
Mode:Full
License
:CC-BY-NC 3.0
Creation time:2020-03-02 23:06:51Update time:2020-04-29 18:58:49
Description
Design Drawing
The preview image was not generated, please save it again in the editor.BOM
Bom empty
CloneAdd to Album
0
0
Share
Report
Project Members
Followers0|Likes0
Related projects
Empty


Comment